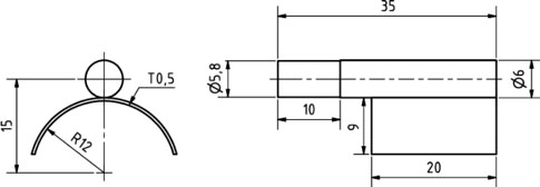
These resistance temperature sensors with a cable and thermocouple temperature sensors with a cable are designed for measuring the surface temperature of pipes with a smooth surface. The maximum temperature range of use is -50 to 200 °C and must not be exceeded even for brief period. The structure of the sensors enables fast response to changes in temperature, when silicone grease or thermally conductive paste is applied between measured surface and the sensor. Temperature sensors meet ingress protection IP 65 in accordance with EN 60529, as amended.
The sensors are designed for use in a chemically non-aggressive environment. The method of use must be chosen with regard to the temperature and chemical resistance of the case lead-in cable.
The sensors are designed for use in a chemically non-aggressive environment. The method of use must be chosen with regard to the temperature and chemical resistance of the case lead-in cable.


