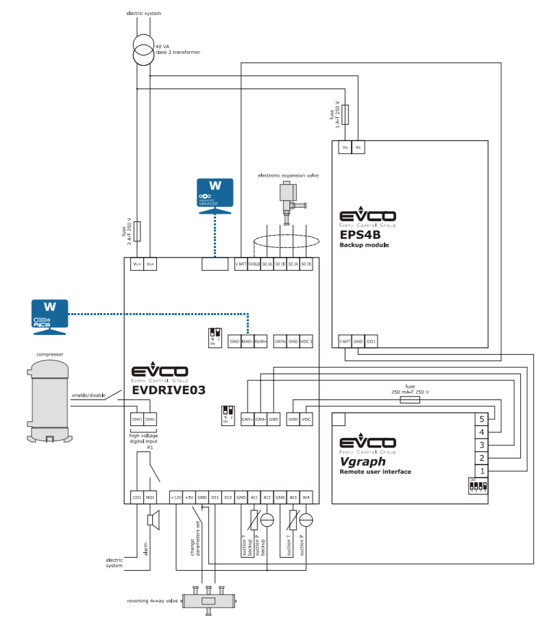
EVDRIVE03 is a range of drivers for the management of stepper electronic expansion valves.
Available with integrated user interface or in blind version with the possibility of a remote user interface (Vgraph). The user interface consists of an LCD graphic display and six keys.
The drivers can manage both generic electronic expansion valves and the more common stepper valves on the market; they can also be used as a simple analog positioner and can work both on a standalone basis or managed by a controller, guaranteeing an increase in the efficiency of the refrigerating circuit.
Available with integrated user interface or in blind version with the possibility of a remote user interface (Vgraph). The user interface consists of an LCD graphic display and six keys.
The drivers can manage both generic electronic expansion valves and the more common stepper valves on the market; they can also be used as a simple analog positioner and can work both on a standalone basis or managed by a controller, guaranteeing an increase in the efficiency of the refrigerating circuit.

